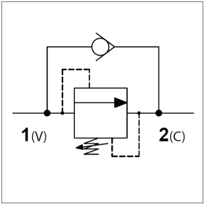
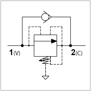
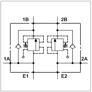
Dual cross relief valves – Sequence valves

Download full catalogue

*

SIZE/PORTS

3/8; 1/2

1/2; 3/4

FLOW (l/min)

40

80

PRESSURE (bar)

250 (A) – 350 (S)

250 (A) – 350 (S)

*

SIZE/PORTS

3/8; 1/2

1/2; 3/4

FLOW (l/min)

40

80

PRESSURE (bar)

250 (A) – 350 (S)

250 (A) – 350 (S)

*

SIZE/PORTS

3/8; 1/2

FLOW (l/min)

40

PRESSURE (bar)

250 (A)

*

SIZE/PORTS

CARTRIDGE

CARTRIDGE

FLOW (l/min)

30

40

PRESSURE (bar)

350

350

*

SIZE/PORTS

CARTRIDGE

FLOW (l/min)

30

PRESSURE (bar)

350

*

SIZE/PORTS

CARTRIDGE

CARTRIDGE

FLOW (l/min)

30

60

PRESSURE (bar)

350

350

*

SIZE/PORTS

CARTRIDGE

FLOW (l/min)

30

PRESSURE (bar)

350

*

SIZE/PORTS

CARTRIDGE

FLOW (l/min)

150

PRESSURE (bar)

350

*

SIZE/PORTS

3/8; 1/2

FLOW (l/min)

30

PRESSURE (bar)

250 (A) – 350 (S)

*

SIZE/PORTS

3/8; 1/2

FLOW (l/min)

30

PRESSURE (bar)

250 (A) – 350 (S)

*

CODE

WSD LF 30

SIZE/PORTS

3/8

FLOW (l/min)

30

PRESSURE (bar)

350 (S)

*

SIZE/PORTS

1/4

3/8; 1/2

1/2; 3/4

FLOW (l/min)

25

40

80

PRESSURE (bar)

250 (A) – 350 (S)

250 (A) – 350 (S)

250 (A) -350 (S)

*

CODE

WSD 40 CC

SIZE/PORTS

3/8; 1/2

FLOW (l/min)

40

PRESSURE (bar)

250 (A) – 350 (S)

*

SIZE/PORTS

1/2

3/4

FLOW (l/min)

40

80

PRESSURE (bar)

250 (A)

250 (A)

*

SIZE/PORTS

1/2

FLOW (l/min)

40

PRESSURE (bar)

250 (A)

layer22Dual cross relief valves – Sequence valves